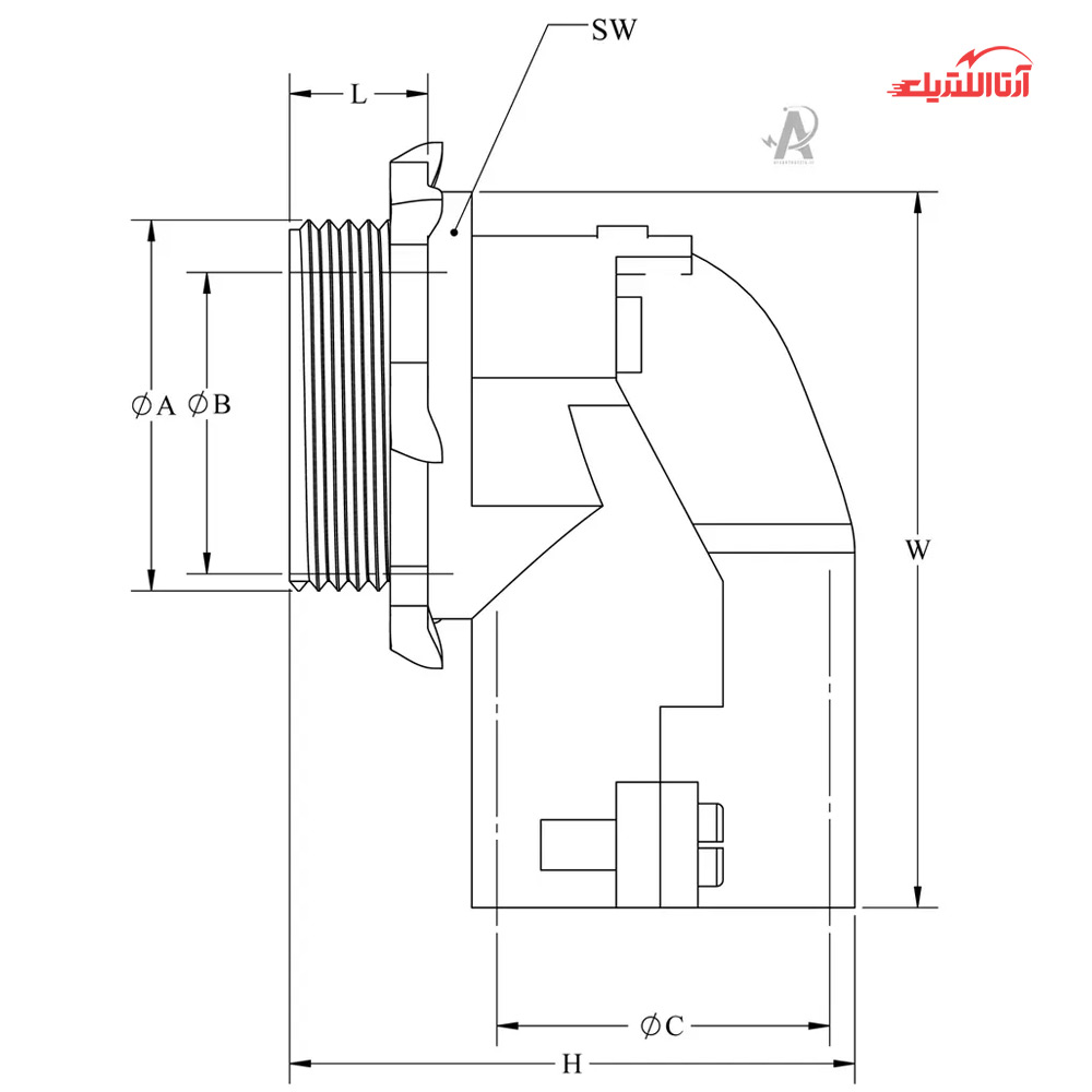
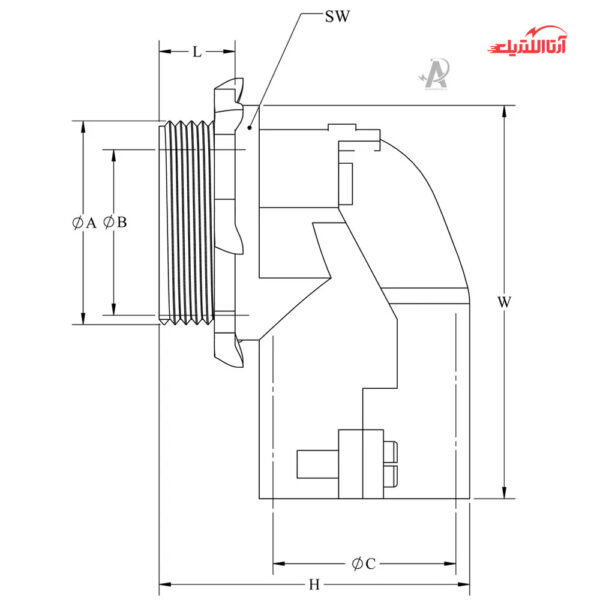
گلند فلزی دو پیچ زانویی B90 رهورد خراسان سایز 13

تماس بگیرید

ویژگی‌های اصلی

جنس بدنه

آهن, برنج, گالوانیزه

سایز رزوه

13

درجه حفاظت

IP40, IP54

دمای کاری (سانتیگراد)

منفی 45 تا مثبت 300

استاندارد

IEC 60529

اطلاعات تکمیلی

💳 امکان خرید قسطی
💰 بازگشت 1٪ به کیف پول
🚚 ارسال سریع
📦 فروشنده: آرتا الکتریک
🛡 10 روز ضمانت بازگشت کالا

این کالا فعلا موجود نیست اما می‌توانید زنگوله را بزنید تا به محض موجود شدن، به شما خبر دهیم.

ناموجود

موجود شد به من اطلاع بده

بر اطلاع از قیمت محصول و ثبت سفارش این محصول کافی است با شماره زیر تماس بگیرید.

تماس بگیرید

021 - 33908989

مشخصات محصول

جنس بدنه

آهن, برنج, گالوانیزه

سایز رزوه

13

درجه حفاظت

IP40, IP54

دمای کاری (سانتیگراد)

منفی 45 تا مثبت 300

استاندارد

IEC 60529

معرفی

بررسی گلند فلزی دو پیچ زانویی B90 رهورد خراسان سایز 13

رابط‌ها و گلندها، از جمله محصولات کاربردی برای اتصال امن و دقیق لوله‌های فلزی خرطومی به سایر لوله‌ها یا ماشین‌آلات و دستگاه‌های کارخانه‌ها محسوب می‌شود. گلند فلزی تو پیچ مادگی مجموعه رهورد خراسان، برای اتصال ایمن و دقیق لوله‌های خرطومی روکش‌دار فلزی به ماشین‌آلات و تجهیزات و دستگاه‌های کارخانه ساخته شده و محصولی ضد گرد و غبار است. بدنه این محصول از برنج با آبکاری گالوانیزه بوده و بوش آن از ورق آهن با آبکاری گالوانیزه است.

  • با دوام و کیفیت بالا
  • بدون نیاز به استفاده از سرلوله پلاستیکی در لوله
  • مقاوم در برابر لرزش و ضربه‌های ناگهانی
  • سهولت و سرعت در نصب و استفاده
  • درجه حفاظت IP40 و IP54 مطابق با استاندارد IEC 60529 به ترتیب با تیپ‌های FC1, FC1B و FC1P
  • دمای کاری -45 تا 300 درجه سانتی‌گراد

دیدگاه‌ها

تجربه شما درباره این محصول چیست؟

دیدگاه شما برای خریداران این محصول ارزشمند است.

نشانی ایمیل شما منتشر نخواهد شد. بخش‌های موردنیاز علامت‌گذاری شده‌اند *

پشتیبانی آرتا الکتریک

تماس با کارشناسان

تماس مسقتیم با متخصصین فروشگاه

تماس مستقیم با آرتا الکتریک

۰۲۱-66342020

درخواست پیش فاکتور

برای دریافت قیمت، زمان تأمین و پیشنهاد محصولات مشابه، لطفاً با شماره زیر تماس بگیرید.

تماس بگیرید

021-66342020